Beskrivning
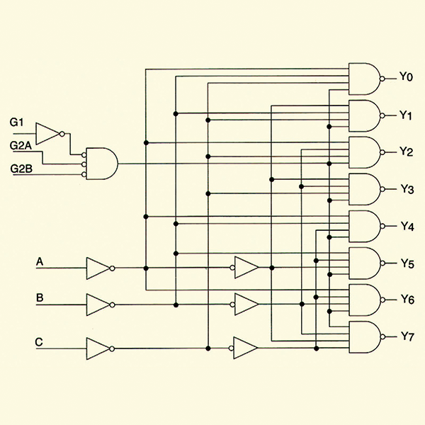
8.27 In the diagram below G1 is used as a data input where G2A=G2B=L. How should A,B and C be set if the data at G1 shall be sent out on the lead connected to Y5
If the Base Unit is used, the lab-card shall be inserted into the contact plinth where it will receive the correct voltage supply.
- On the lab-card, measurements will be made on an alarm system constructed from digital circuits. First an easy alarm function and then additional functions as each circuit has been understood.
- Start by inserting the circuit 74HCT08 in the socket marked IC2 on lab card 6. If another card is already there, remove it temporarily.
- Remove the jumpers between sockets 1 and 2 at J3, with IC1 and IC2 as shown in 9.15. All connections are made on the card.
As can be seen in the diagram 9.15, an extra function has been added, LED that will indicate when the alarm is active. The LED has a self-blinking action built into the circuit.





